稳定、可靠的中空纤维滤膜,适用于制药和食品行业
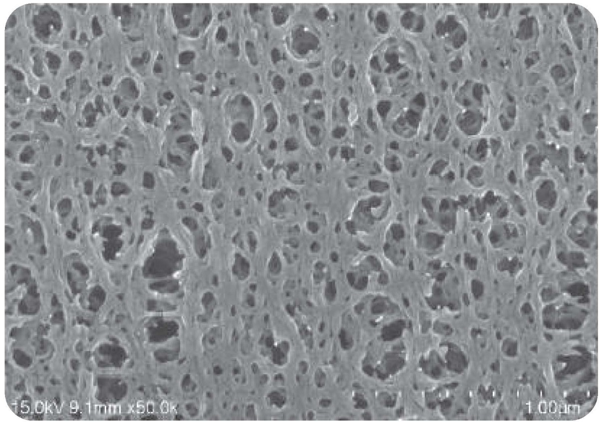
TFFNOVA? 中空纤维柱膜丝采用改性聚醚砜(mPES)材质,适用于制药行业(如生物制药、化药、中药等)和食品行业中多种不同工艺的过滤需求,能够提供稳定可靠的过滤性能。TFFNOVA? 中空纤维膜是非对称结构,膜层致密,外层相对开放。其独特的结构设计可以使得生物负载更低,非特异性吸附更低,过滤速率更快,通量更高,过滤时间更短,因此非常适用于制药和食品行业。
TFFNOVA? 中空纤维柱在权威机构认证通过ISO13485质量体系标准的质置管理体系下设计、研发和生产,在ISO CLASS 7级别的洁净室完成生产后, 经检验合格, 发放质量合格证书出厂。产品具有良好的质量规范, 能满足生物制药客户的法规需求:
USP <88> Class VI测试:所有的流路材料经测试符合USP<88> Class VI生物相容性标准
生物负载:单个中空纤维柱的生物负载<1000菌落形成单位(CFU)
热源:中空纤维柱生产和组装在严格监测条件下进行, 确保内毒素水平的最低化, 但是产品线不能保证完全无热源
无动物来源:纤维合成采用的合成和加工材料,不含有任何动物源或衍生物质
运输及包装验证:思迈克斯对产品运输/包装配置进行了验证, 符合ISTA 3A (2008)要求, 以确保可对无菌产品提供足够的保护, 避免在运输过程中发生损坏产品的事件产品效期:未灭菌过滤器的效期为自生产之日起5年
下载产品手册即可查阅完整货号
即刻咨询
400-058-9000